Description
Millenco Mantis 2 – 3 Hook 2 Deadbolt 2 Roller
£110.00
Next Business Day Delivery
We can have this item with you by Tue 9th December
when ordered before 3pm - see more details.
Millenco Mantis 2 – 3 Hook 2 Deadbolt 2 Roller
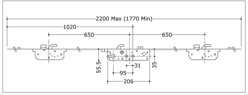
| Weight | N/A |
|---|---|
| Backset | 35mm |
| Central Locks | Latch & Hook |
| Faceplate | 16mm |
| Locking Points | 2 Deadbolts, 2 Hooks, 2 Rollers |
Only logged in customers who have purchased this product may leave a review.
Call us freephone on 0800 197 6885 where our friendly, expert team will be happy to help
Millenco Mantis 2 – 3 Hook 2 Deadbolt 2 Roller
| Weight | N/A |
|---|---|
| Backset | 35mm |
| Central Locks | Latch & Hook |
| Faceplate | 16mm |
| Locking Points | 2 Deadbolts, 2 Hooks, 2 Rollers |
There are no reviews yet.
Only logged in customers who have purchased this product may leave a review.
Do you need a locksmith tools supplier you can trust? At MPL, we’ve been working with the UK’s emergency services, local councils, and locksmith companies of every size for many years. Not only do we have the experience to identify and source uPVC and mortice lock replacements parts – but we pride ourselves on competitive pricing and super-fast turnaround.
Request a trade account with MPL today for quick and convenient ordering every time. As well as a simple procurement process to make your life easier, we also offer nationwide delivery with a NEXT DAY service if ordered before 3pm. You can also get free delivery when you spend £100+VAT on door parts and other locksmith supplies.
Request a trade account
Download our catalogue
Registered Ultion key union
Free delivery on orders over £100



Reviews
There are no reviews yet.