Description
MK3 Serrated Latch Reversal Button
G-TS lock gearboxes have been manufactured in various different versions over the years and its important to select the correct one, as they are not interchangeable. The current G-TS lock started production on 2010 and features different screw fixing positions to previous versions of the lock.
A good way to tell if you have the new or old version is the new version will have a square latch reversal button next to the latch.
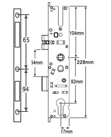
Maco G-TS gearboxes feature lift lever functionality. They measure 228mm high by backset + 18mm wide. The centres (PZ) are 92mm. The latch is 29mm high, the deadbolt is 30mm high and the distance from the bottom of the latch to the top of the deadbolt is 54mm.
These gearboxes are fixed to their faceplates with 3 screws. The top screw to middle screw measures 57mm. The middle to bottom screw measures 180mm.




Reviews
There are no reviews yet.